R 3 sehingga hambatan hmbatan tersebut perlu diganti sehingga menjadi. Daftar isi hide 1 pengertian jembatan wheatstone 2 gambar jembatan wheatstone 3.
9 Jembatan Arus Searah
Contoh soal jembatan wheatstone. Untuk melengkapin materi ini kami juga sudah menyediakan contoh soal yang bisa langsung kamu lihat pada contoh gambar yang ada di bawah ini. Pada rangkaian jembatan wheatstone pada rn diganti dengan galvanometer g seperti gambar di bawah ini. Jadi dari soal jembatan wheatstone tersebut bisa jawab besarnya arus yang mengalir dalam rangkaian adalah 225 a. R 4 r 2. Hitunglah kuat arus yang melalui rangkaian tersebut jawab dari gambar di atas r 1. Berikut yaitu adalah materi lengkap yang meliputi pengertian rumus dan contoh soal.
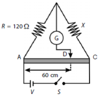
Dan r adalah 120 ω. Maka untuk lebih jelasnya simak berikut pembahasan dibawah ini. Amati gambar di atas. Contoh soal jembatan wheatstone. Contoh soal jembatan wheatstone 2. Coba perhatikan gambar yang ada di atas.
Terlihat pada gambar di atas jika panjang kawat ac adalah 80 cm. And have 0 komentar facebook twitter google linkedin technorati digg. R 4 5. Berikut ini adalah materi lengkap meliputi pengertian rumus gambar dan contoh soal. R 3 r 2. Jembatan wheatstone adalah suatu rangkaian yang tak bisa ditentukan hambatan penggantinya jikalau dengan rumus susunan hambatan seri maupun susunan pararel.
Jika diketahui v yang mengalir dari ujung kiri ke ujung kanan adalah 15 volt. Posted in rumus fisika tagged contoh soal jembatan kelvin contoh soal jembatan wheatstone pdf contoh soal jembatan wheatstone ppt gambar jembatan wheatstone kumpulan soal dan jawaban jembatan weston menghitung tegangan jembatan wheatstone sejarah jembatan wheatstone syarat syarat yang berlaku pada jembatan wheatstone. 10 sehingga r 5 tidak perlu kita anggap. Jembatan wheatstone written by unknown published at 0922 categorized as fisika x sma soal pembahasan tips dan trik. Jembatan wheatstone dan contoh soal serta pembahasan listrik dinamis sma. Contoh soal jembatan wheatstone 1.
Ketika kontak geser c sedemikian sehingga jarak cb 60 cm maka jembatan seimbang galvanometer g menunjuk nol. Untuk lebih jelasnya simak pembahasan dibawah ini. Jika ada x disisipkan seri resistor 10 ω maka jembatan seimbang ketika kontak c digeser sejauh 30 cm dari kedudukan seimbang. Soal 4 gambar berikut adalah rangkaian jembatan wheatstone dengan panjang kawat homogen ab adalah 1 m. Jembatan wheatstone merupakan rangkaian yang tidak dapat ditentukan hambatan penggantinya. Jembatan wheatstone hampir mirip dengan rangkaian segitiga resistor seperti gambar di bawah ini.
Apabila dengan rumus susunan hambatan seri ataupun susunan pararel. Amati gambar diatas dan tentukanlah berapa besar hambatan penggantinya. 10 5.

















